
Engenharia de Precisão em Acao
Qualidade artesanal na fabricação e desempenho comprovado nas instalações dos clientes
Carregando...

A Prensa Fan Parason é desenvolvida com tecnologia pioneira para separar águas residuais em seus componentes sólidos e líquidos.

Qualidade artesanal na fabricação e desempenho comprovado nas instalações dos clientes

A Prensa Fan Rejeitos PFP da Parason separa aguas residuais em componentes sólidos e liquidos usando tecnologia pioneira de filtro e prensa. Compacta, de fácil manutenção e custo-eficiente, ela substitui prensas de esteira convencionais e centrifugas, entregando água limpa e particulas solidas secas sem gotejamento.
Tecnologia combinada de filtro e prensa para separação eficaz
Rejeitos ou lodo entram na prensa
Sólidos separados da fase liquida
Prensagem contínua remove a água
Água limpa + sólidos sem gotejamento
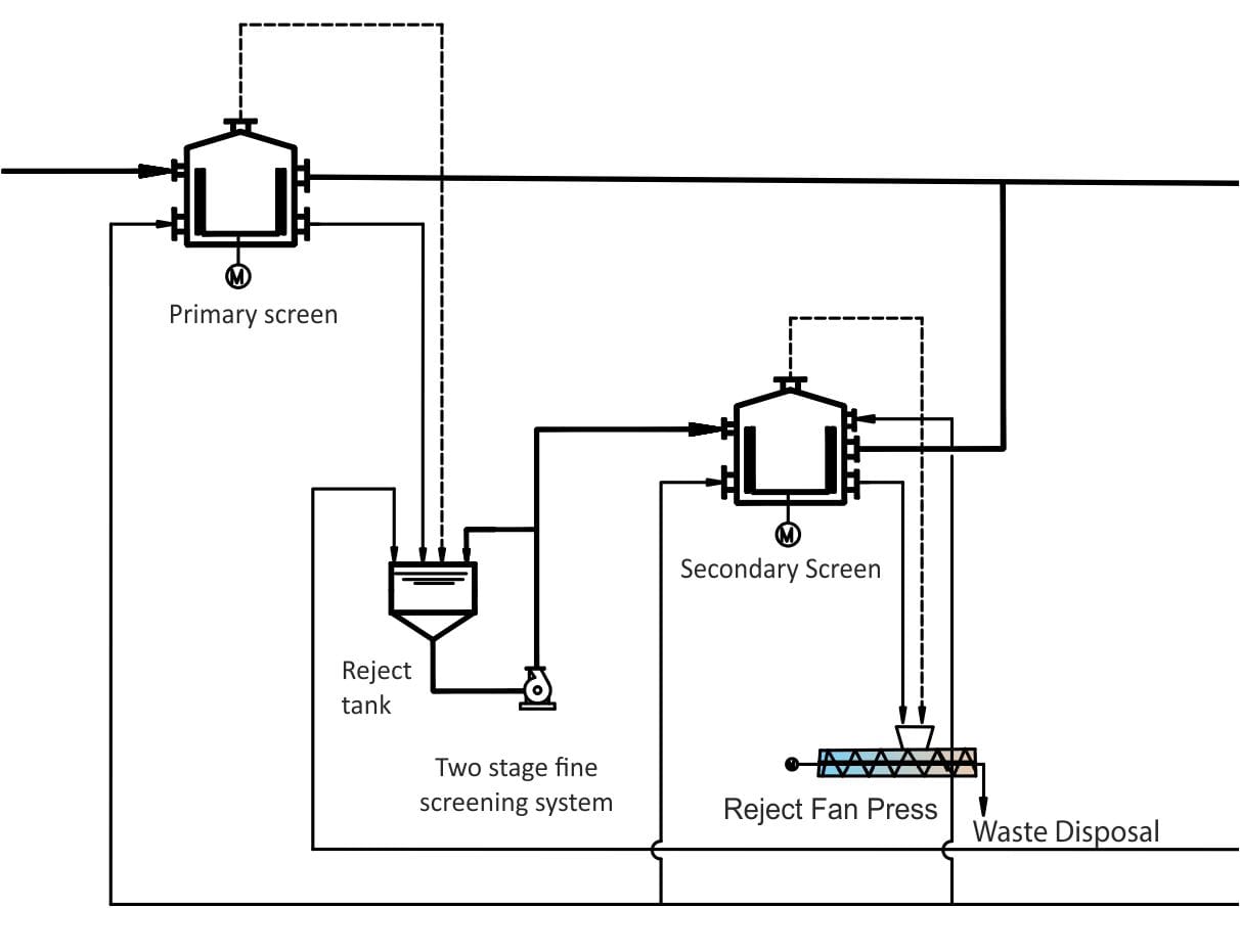
Configuração típica da prensa fan rejeitos na linha de peneiramento

Configuravel para diversas aplicações de peneiramento
Especificações principais em um relance
Entre em contato com nossa equipe para saber como a Prensa Fan Rejeitos pode melhorar sua gestao de aguas residuais e reduzir custos de descarte.